找回密码
 立即注册
查看: 432|回复: 0

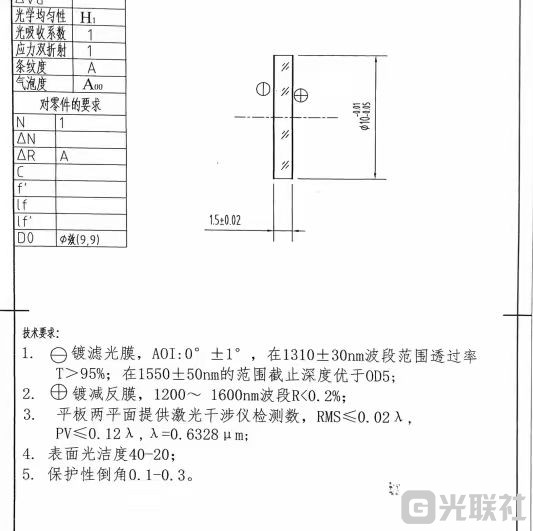
[代加工] 【社群需求转发】这个抛光有人能做吗

[复制链接]

347

主题

38

回帖

1365

积分

管理员

积分
1365
QQ
发表于 2025-9-1 16:26:35 | 显示全部楼层 |阅读模式
微信图片_20250901155759_5631_110.jpg
光联社-光学行业供应链平台,每天发布最新光学供求信息
您需要登录后才可以回帖 登录 | 立即注册

本版积分规则

手机版|小黑屋|光联社 ( 粤ICP备2021005935号 )

GMT+8, 2026-5-26 04:04

Powered by 光联社

快速回复 返回顶部 返回列表